MACOM CMPA1C1D080F-AMP評価ボード

Wolfspeed CMPA1C1D080F-AMP評価ボードを使用すると、ユーザーはCMPA1C1D080Fパワーアンプを評価できます。CMPA1C1D080F 90W 12.75GHz~13.25GHz GaN MMICパワーアンプには、Creeの高性能0.25um GaNがSiC生産プロセスに活用されています。HPAは、優れた熱管理を実現できるボルトダウン、フランジパッケージで販売されています。

Wolfspeed CMPA1C1D080F-AMP評価ボードは、CMPA1C1D080Fアンプを設置した状態で納品します。

特徴

  • PSAT標準90W
  • 標準電力付加効率>21%
  • 小信号ゲイン: 25dB
  • 総出力電力20W @ -30dBc IM3
  • 最大40Vでの動作

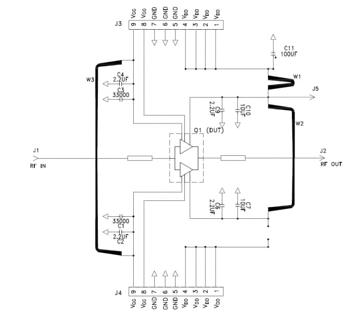
アプリケーション回路

回路図 - MACOM CMPA1C1D080F-AMP評価ボード
公開: 2021-09-10 | 更新済み: 2024-01-17