Wolfspeed CMPA5259025S 40W GaN MMICパワーアンプは、28Vで動作し、主に高集積AESAレーダータイプアーキテクチャの出力段として使用するように設計されたパルス出力電力40Wを備えています。また、CMPA5259025Sは高利得も実現しており、最終段階としてWolfspeed高出力IMFETを使用するマルチデバイスのラインナップの駆動段としても最適です。
特徴
- 標準電力付加効率>53%
- 小信号利得29dB
- PSAT標準40W
- 最大28Vで動作
- 高破壊電圧
- 高温時動作
アプリケーション
- パルスおよびCW Sバンドレーダー
- 民生用
- 防衛
仕様表
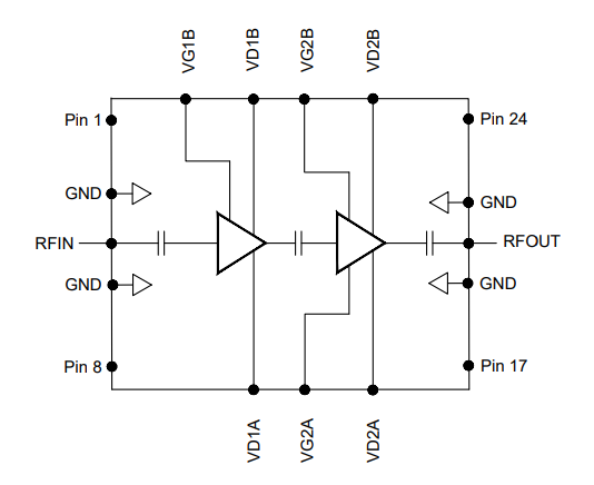
アプリケーション図
公開: 2021-09-13
| 更新済み: 2024-01-17

