MACOM MADP-011104 Shunt PIN Diodes
MACOM MADP-011104 Shunt Positive Intrinsic Negative (PIN) Diodes are high-power shunt diodes that provide ideal switch or attenuator performance from 50MHz to 5GHz. The diodes feature 350W continuous wave (CW) incident power handling, 0.15dB insertion loss, and 29dB isolation at a 3GHz frequency. These PIN diodes are available in a 3mm, 12-lead, and lead-free quad flat no-leads (QFN) plastic package. MACON MADP-011104 Shunt PIN Diodes are suited for switch and attenuator applications from HF through S-band. These applications require high peak and CW power, lower loss, and high linearity surface-mount assemblies. The MADP-011104 diodes are sensitive to ESD and require proper ESD control techniques.Features
- High-power shunt device
- Suited for switch and attenuator applications from HF through S-band
- 3mm, 12-lead QFN plastic package
- Lead-free package
- Halogen-free "green" mold compound
- RoHS compliant
Specifications
- 50MHz to 5GHz switch or attenuator performance range
- 350W incident power handling at 3GHz
- 0.15dB insertion loss at 3GHz
- 29dB isolation at 3GHz
- 8W CW power dissipation
- 2000ns lifetime
- 45°C/W thermal resistance
- 0.45pF total capacitance
- 2.21Ω resistance
- 0.91V forward voltage (VF) at 100mA (typical)
- 6nA reverse leakage current (IR) at -800V (typical)
- 250mA DC forward current
- -40°C to +85°C operating temperature range
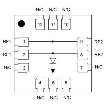
Mechanical Drawing
Additional Resources
公開: 2018-12-17
| 更新済み: 2024-02-13
