onsemi NVXK2TR40WXT 炭化ケイ素(SiC)モジュール
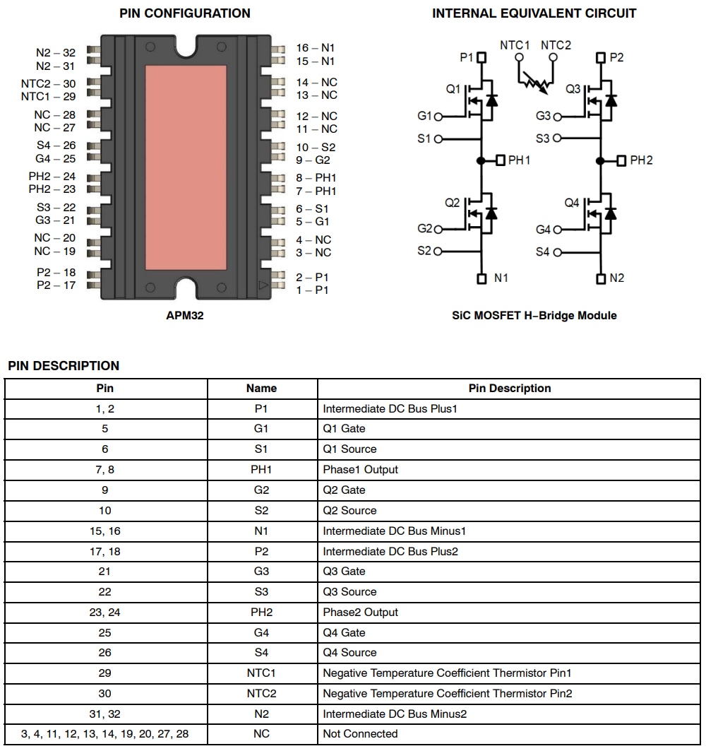
オンセミ (onsemi) のNVXK2TR40WXT炭化ケイ素(SiC)モジュールは、1200V、40mΩ、27Aのデュアルハーフブリッジ構成のEliteSiCパワーモジュールで、APM32デュアルインラインパッケージ(DIP)を採用しています。本SiCモジュールは、モジュール全体の抵抗を低減するためにコンパクトに設計されています。NVXK2TR40WXTパワーモジュールは、 AEC-Q101およびAQG324に準拠した車載対応製品です。本パワーモジュールは鉛フリーであり、RoHSおよびUL94V-0に準拠しています。NVXK2TR40WXT EliteSiC MOSFETパワーモジュールは、xEVアプリケーションにおけるDC-DCコンバータおよびオンボードチャージャに適しています。特徴
- DIP Silicon Carbide (SiC) デュアルハーフブリッジ・パワーモジュール
- ドレイン・ソース間電圧(VDSS):1200V
- 連続ドレイン電流(ID):27A
- 標準ドレイン・ソース間オン抵抗(RDS(ON)):40mΩ
- 動作接合部温度(TJ)範囲:-55℃~175℃
- IEC60664-1およびIEC 60950-1に準じた沿面/空間距離
- モジュール全体の抵抗を低く抑えるコンパクト設計
- 完全トレーサビリティのためのモジュール・シリアライゼーション
- 無鉛
- RoHS およびUL94V-0準拠
- AEC-Q101およびAQG324に準拠した車載認定済み
アプリケーション
- EV-PHEVのHV DC/DCおよびオンボードチャージャ
- EV/PHEV向け11 kW~22 kWオンボードチャージャ
その他のリソース
SiC MOSFETハーフブリッジモジュール
公開: 2024-08-02
| 更新済み: 2026-04-20
